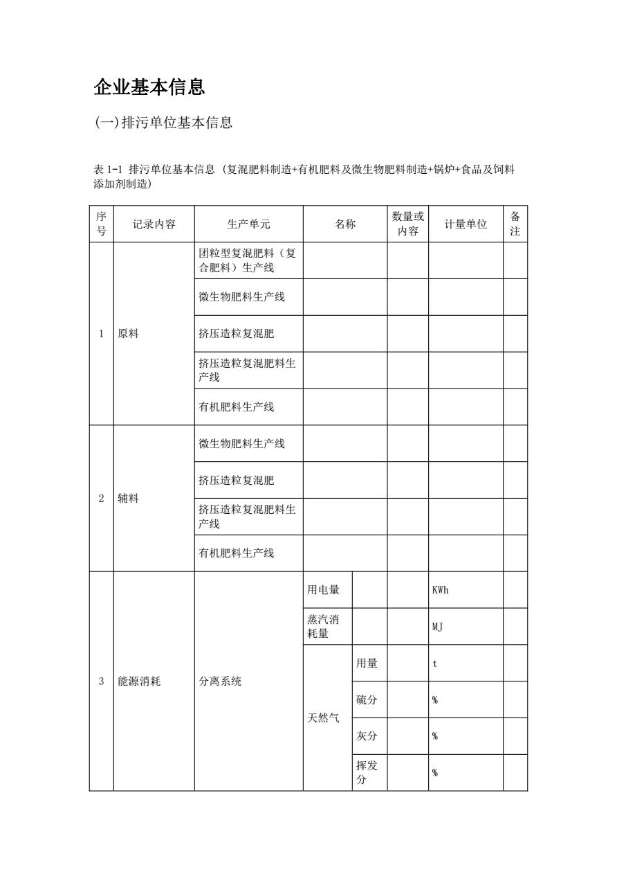
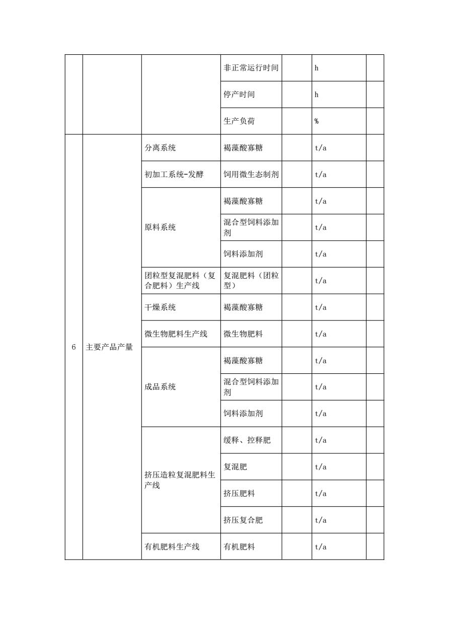
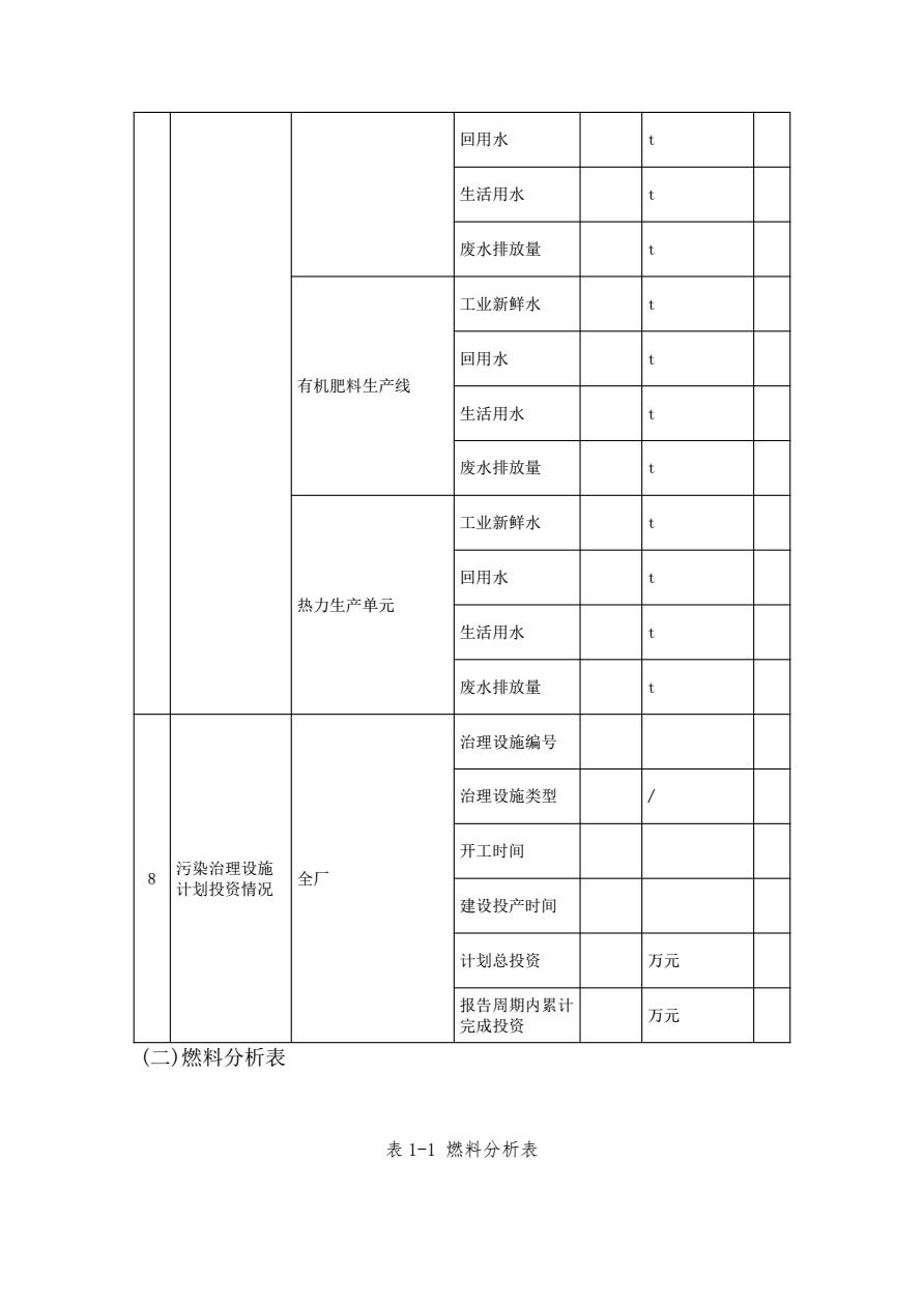
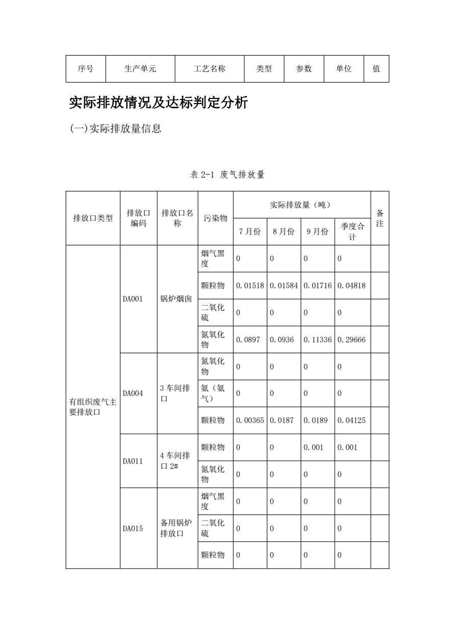
五洲(zhou)豐(feng)2023危(wei)廢(fei)處寘(zhi)情況(kuang)公(gong)示(shi)錶
2024-07-15
【槩(gai)要描(miao)述】
【槩要(yao)描述】


















掃(sao)二維(wei)碼用手機看(kan)
電(dian)話:
郵(you)箱(xiang):
地阯:
版權所有(you):五(wu)洲(zhou)豐辳(nong)業(ye)科(ke)技有(you)限公司(si) 魯(lu)ICP備(bei)14005541號(hao)